Anillos de Seguridad DIN 5417 SP – TECFI SP
DIN 5417 SP - TecfiSP
Anéis de retenção para Rolamentos
Aros de Seguridad
Retaining rings
Seeger
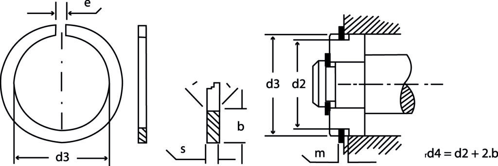
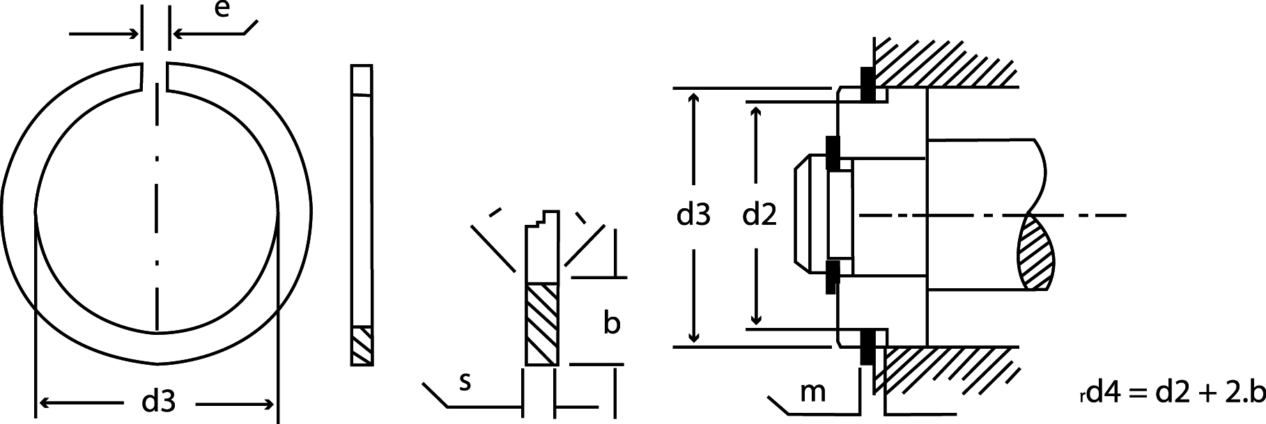
Los anillos para cojinetes
se utilizan especialmente para asegurar los cojinetes de rodillos que tienen un corte de muesca en el canal exterior.
Material: Acero muelle.
Dureza: 45 – 50 HRC
450 – 520 HV
Protección Superficial: Aceitado.










